データセンターの電力品質マネジメントに最適!
「安心な電源管理を」
■特 長
電源の高い信頼性が要求されるデータセンターなどで使用されるシステムです。(技術協力 株式会社アット東京様)
●PQ-110M【電力品質メータ】
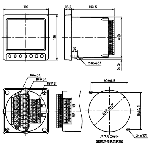
- 110角指示電気計器のサイズで高精度な電力計測ができます。既存の110角メータと交換が容易。
- 計測機能のほかにロギング機能、電源障害レコーダ機能などのデータ記録機能を有しています。
●PQ-RC【電力品質レコーダ】
- PQ-110Mとの組合せで電力品質解析に必要なデータを収集・記録することができます。
●PQ-MS【電力品質マネジメントソフトウェア】
- PQ-RCが記録したデータを表示し、電力品質の解析結果を数値や波形で確認することができます。
- 記録したデータを保存することが可能です。
- IEEE Std 1100-2005 「電子機器への電力供給と接地に関する推奨案」(米国電気電子学会)を参照した電力品質マネジメントが実現できます。
●ICT機器・サーバの電源品質トレーサビリティ(計測・記録・異常監視・分析)
◆データセンタATS・PDU・PDP盤 ◆通信局舎電源 ◆通信基地局電源
◆計算センタ電源 ◆商用電源の異常監視 ◆UPS電源の異常監視
◆高速電源切替器の切替波形
●ビル・工場・病院などの電源品質監視
◆高圧商用受電、変圧器二次、電灯盤主幹、動力盤主幹などの電源管理・品質管理
◆OA機器、モータの突入電流、高調波計測、瞬時停電、瞬時電圧上昇
◆太陽光発電、風力発電、燃料電池、コージェネ発電などの分散発電電源系統連係の品質管理
◆半導体製造装置などの瞬時停電・瞬時電圧変動の監視・記録
-
カタログのダウンロード
(3,029KB)
メータ設定(3φ4W3VT4CT) |
リアルタイムモニタ(3φ4W3VT4CT) |
ロギングデータグラフ |
電源障害波形 |
■PQ-110M 【電力品質メータ】
■PQ-RC 【電力品質レコーダ】

