
- 拡大
- A7EA-RN2 60A
E-FMシリーズ 電子化で軽量化・薄型化・高容量化の時代へ。
- 30分値を44日分記録します。
- カレントループ通信により電力量計指示値の出力が可能です。
- 自動検針システムによる課金用途だけではなく、データロガー等との組合せによる省エネルギー対策に最適です。
- 計量法およびJIS規格に準拠しています。
- 日本電気計器検定所の型式承認を取得しています。
<ご注意>
- 屋内耐候形となります。屋外への設置は防水箱に入れてください。
-
カタログのダウンロード
(1,265KB)
| 形 名 | A7EA-RN2 | ||||||
|---|---|---|---|---|---|---|---|
| 相線式 | 三相3線式 | ||||||
| 形 状 | 表面形 | ||||||
| 取付・接続方式 | 表面取付・表面接続 | ||||||
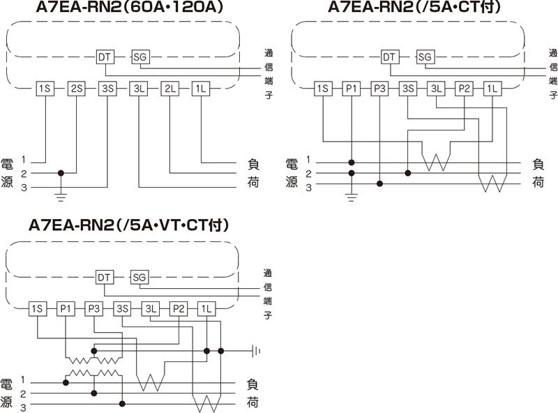
| 通信機能 | 有(カレントループ通信) | ||||||
| 定格電圧(V) | 100、200 | /110、100、200 | |||||
| 定格電流(A) | 60 | 120 | /5 | ||||
| 定格周波数(Hz) | 50 | 60 | 50 | 60 | 50 | 60 | |
| 質量(kg) | 0.9 | 1.3 | 0.9 | ||||
| 外形寸法 W×H×D(mm) |
60A、/5A : 160.5×206.5×100 |
||||||
| 付属品 | 端子カバー(標準装備) | ||||||